Projektowanie konstrukcji przemysłowych, usługowych, handlowych

Oferujemy projektowanie konstrukcji przemysłowych, produkcyjnych, usługowych, magazynowych, itp.

Projektujemy konstrukcje żelbetowe oraz stalowe.

Zapytaj o ofertę
Skontaktuj się teraz i umów rozmowę

Skontaktuj się teraz i umów rozmowę

+48 608 539 911

Nasze doświadczenie w projektowaniu konstrukcji

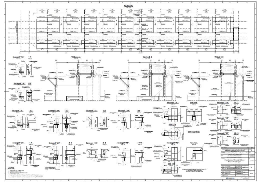
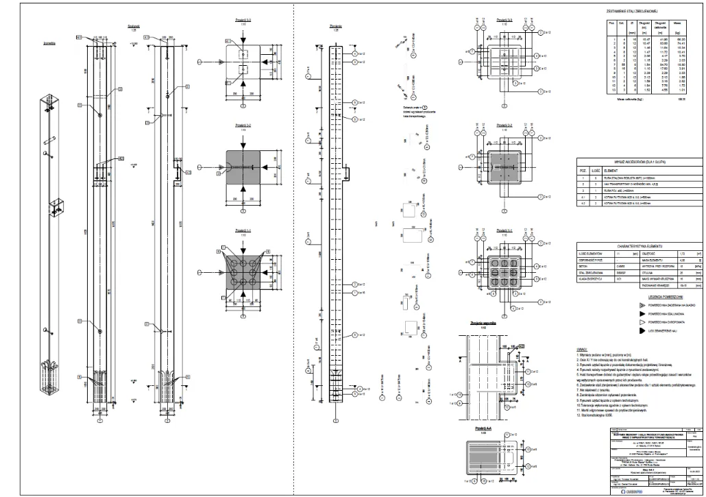
Oferujemy usługi w zakresie projektowania konstrukcji budowlanych dla obiektów przemysłowych, handlowych, produkcyjnych oraz usługowych. Oferujemy kompleksowe opracowanie dokumentacji konstrukcyjnej w technologii żelbetowej i stalowej – od koncepcji, przez projekt budowlany, aż po projekt wykonawczy.

Tworzymy konstrukcje dopasowane do funkcji budynku, uwzględniając specyfikę inwestycji, obciążenia technologiczne, wymagania użytkowe oraz optymalizację kosztów wykonania.

Współpracujemy z inwestorami, architektami i generalnymi wykonawcami. Zapewniamy terminowość, wsparcie na każdym etapie projektu oraz rozwiązania dostosowane do potrzeb konkretnej branży – od hal magazynowych i zakładów produkcyjnych po centra handlowe i budynki usługowe.

Skontaktuj się z nami

Zadzwoń do nas, aby uzyskać więcej informacji lub omówić szczegóły

+48 608 539 911

    Informacja UE

    Carbonpro sp. z o.o. realizuje projekt "Udział w programie akceleracyjnym Concordia Design Accelerator w ramach ścieżki B2B/B2A/Inwestorska" w ramach projektu pn. „Concordia Design Accelerator – We turn ideas into human profit”, w ramach programu Fundusze Europejskie dla Nowoczesnej Gospodarki działanie Startup Booster Poland – Smart Up.

    Cel projektu: Wykonanie walidacji wyników uzyskanych metodą CFD za pomocą badań eksperymentalnych w tunelu aerodynamicznym

    Dofinansowanie: 379.072,36 zł